Wastewater treatment MVR type Forced Circulation Evaporator
1. Single effect / double / Triple effect Forced circulation evaporator introduction
The forced circulating evaporator relies on the extra force circulating pump to make the liquid circulate. Its heating chamber has two kinds of horizontal and vertical structure. The liquid speed is regulated by the pump. The evaporator is suitable for the concentration of easily crystallized and easy scaling solution. The main drawback is that the energy consumption is large.
The forced circulating evaporator can be divided into single effect, double effect, three effect, four effect and multi effect cyclic evaporator.
The double effect forced circulation evaporator vacuum concentrating equipment is a highly efficient energy saving concentration equipment developed by our company. It operates under vacuum and low temperature, and has the characteristics of fast flow rate, fast evaporation and no scaling. It is suitable for the thickening of materials with high viscosity, high concentration and easy scaling. It is widely used in processing and concentrating of chemical crystallization, ketchup, jam, pulp juice and high concentration of sugar. It has been widely used in China & foreign voutries , and its effect is good.
2.Forced circulating evaporator structure
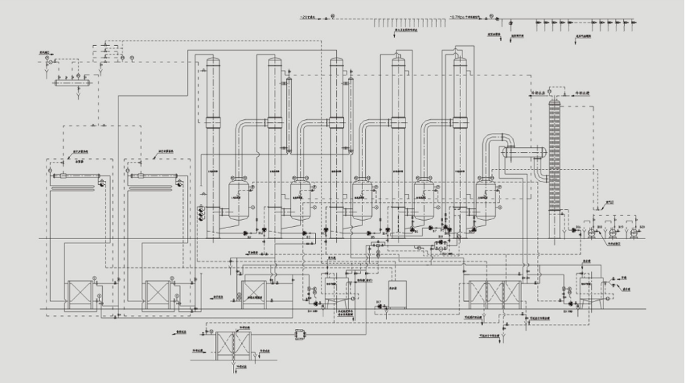
The structure is composed of evaporators, separators, condensers, circulating pumps, efficiency pumps, vacuum and drainage systems, sub cylinders, operation platforms, electrical instrument control cabinets, valves and pipelines.
3.Characteristics of forced circulating evaporator
1).The vacuum concentration is used, and the evaporation temperature is low.
2).The balance of feed and discharging concentration is adjusted, and continuous feeding and discharging can be carried out.
3).It is easy to flow and evaporation with high viscosity and high concentration, which is not easy to scale, and the time of concentration is short.
4).The equipment adopts material compulsory circulation vacuum evaporation, reduces residence time, improves thermal efficiency, prolongs the operation period of the equipment, and all materials are made of stainless steel. The contact part with material is polished and the exterior is pickled or matte treated. The heater is separated from the evaporator, so it is easy to clean and replace the tube and reduce the height of the factory.
5).By 1st or 2nd , 3rd and the number of equipment 2st or 2nd , 3rd heaters, separation, evaporation and crystallization chamber, a circulating pipe, a vapor-liquid separator, mixed condenser, vacuum pump, slurry discharging pump, consisting of 1st or 2nd , 3rd , multi effect forced circulation pump, condensate pump, electric control box, table and all piping, valves, instrument.
4.Performance of circulating evaporator
1).The whole system design is reasonable, beautiful, stable, efficient, energy saving, low steam consumption, large concentration ratio and forced circulation, making the larger viscosity liquid easy to flow and evaporate and concentrate less time.
2).special design can be changed by simple operation to adapt to the production of different products.
3).low evaporation temperature, heat is fully utilized, the liquid heating concentrated mild, suitable for heat sensitive materials;
4). Through forced circulation, the evaporator is evenly heated in the tube, and the heat transfer coefficient is high, which can prevent the "dry wall" phenomenon
5).the separation of the liquid into the separator, strengthening the separation effect, so that the overall equipment has greater operating flexibility.
6).The complete set of equipment has compact structure, small area, simple and smooth layout, which represents the development direction of large complete set of evaporating equipment.
7).Continuous import and export, the liquid level and the required concentration can be controlled by self control.
| voltage | 220/380v |
| power | 10-100kw |
| dimension | as capacity |
5.Forced circulation evaporator parameter
6. Forced circulation evaporator drawing
7. Forced circulation evaporator pictures

Company Introduction
Geling (Shanghai) Environmental Technology Co., Ltd. located in Shanghai Fengxian Zhelin Economic Zone, and we are cooperated with the United States GL-Innovations Group strategic cooperation, set research and development, design, manufacturing as one of the scientific and technological enterprises, the core technology and leading products for the membrane separation process equipment, MVR evaporation equipment, other types of evaporators, mold, widely used In environmental engineering, bio-pharmaceutical, chemical smelting, food processing and other fields.
The company has cooperated with GL-Innovations Group to set up R & D center in Shanghai Science and Technology Park, which aims at the market and technology segmentation of Asia-Pacific and global industry trends, focusing on new technology research and engineering applications. (MVR) - Evaporative Crystallization Integration System, which is the core of membrane separation technology, has created a new technology for the fields of biological fermentation, plant extraction, chemical crystallization and waste water treatment. Membrane ultrafiltration - Nanofiltration separation system, suitable for fermentation broth, extract, fine chemical and other active ingredients separation and purification; membrane ultrafiltration - reverse osmosis water treatment system, the family of water, industrial water, industrial wastewater, water reuse Field for further processing. With the membrane separation technology, evaporator, mold in the industry in-depth application, so that some difficult material separation, high concentration of salt chemical wastewater, sewage treatment and so on can be effectively addressed, to achieve a high efficiency, Row of green environmental goals, the enterprise's technological innovation and industry upgrading has a significant significance.
Geling company adhere to the "quality of survival, to the credibility of development, to manage for efficiency" business philosophy and abide by the "customer first, the credibility of the first, quality first" principle and dedication to customer service at home and abroad, welcome to visit Cooperation.